00254909_0
SCHOOLAIR-V-1800


00132715_0
Getest volgens VDI 6022


00136287_0
Verstelbare voet


00149939_0
SCHOOLAIR-V, filter


00259703_0
Tegenstroom warmteterugwinning


00254909_0
00132715_0
00136287_0
00149939_0
00259703_0

Toevoer- en afvoer ventilatie unit met omschakelmogelijkheid voor recirculatie met warmtewisselaar en warmteterugwinning voor verticale plaatsing tegen de borstwering

Decentrale ventilatie unit, direct aan te sluiten, voor comfortabele ruimtetemperatuurregeling en ventilatie van ruimten bijv. klaslokalen.

  • Akoestisch geoptimaliseerde EC ventilatoren met laag specifiek ventilatorvermogen, volgens EN 13779 SFP = 1
  • Warmteterugwinning (lucht/lucht) met gemotoriseerde bypass (100% open-dicht)
  • Alternatief warmtewiel voor warmteterugwinning (lucht/lucht) met motorisch aangedreven bypass (100% open-dicht)
  • Warmtewisselaar tbv. verwarming en koeling, zowel in 2- als 4-pijps uitvoering mogelijk
  • Grond oppervlak apparaat ~ 0,24 m²
  • Zonder gereedschap vervangen van filters
  • Condensbak met of zonder condensaansluiting
  • Gemotoriseerde afsluitklep, stroomloos dicht
  • Automatische omschakeling op recirculatie (afhankelijk van luchtkwaliteit)


Optionele uitrusting en toebehoren

  • De modulair opgebouwde regeling FSL-CONTROL II is speciaal voor decentrale ventilatie units ontworpen
  • Vraaggestuurde buitenluchthoeveelheid en afhankelijk van de regeling zijn vrije koeling en nachtventilatie mogelijk
  • Variabele warmteterugwinning
  • Gepoedercoat in RAL 9005 (zwart)

Toepassing

Toepassing

  • Ventilatie van ruimten, tot ca. 6 m diepte
  • 2- of 4-pijps warmtewisselaars maken een comfortabele ruimtetemperatuur mogelijk
  • Meng- verdringende luchttoevoer in de ruimte
  • De goede eigenschappen van water als energiedrager voor verwarming en koeling worden benut.
  • Geschikt voor nieuwbouw en renovatieprojecten
  • Verticale montage tegen binnenzijde gevel of buitenmuur
  • Specifieke toepassingen: onderwijs- en verblijfsruimten in scholen en kinderdagverblijven, kleinere spreekkamers, kantoorruimten

Speciale kenmerken

  • Decentrale ventilatie-unit met grote luchthoeveelheden
  • Gemotoriseerde afsluitkleppen voor toe- en afvoer van lucht, spanningsloos dicht, om ongecontroleerde luchtstromen te voorkomen
  • Hoeveelheidsregeling van de toe- en afvoerlucht op basis van luchtkwaliteit is mogelijk
  • Afhankelijk van type: kruisstroom,- kruistegenstroom-platenwisselaar met motorisch aangedreven bypass (100 % open-dicht of variabel) of warmtewiel als warmteterugwinning
  • Warmtewisselaar in 2- of 4-pijps uitvoering met G½" aansluiting, vlakdichtend
  • Voldoet aan de hygiënische eisen volgens VDI 6022
  • Filterklasse buitenlucht F7 en afvoerlucht G3
  • Vervanging filters zonder gereedschap mogelijk mbv. snelsluitingen
  • Condensbak met of zonder condensaansluiting
  • Door de compacte bouw bijzonder geschikt in renovatieprojecten
  • Automatische omschakeling op recirculatie (alleen in combinatie met luchtkwaliteitssensor) als de luchtkwaliteit (gemeten met de interne VOC-Sensor) binnen de vastgelegde grens valt. De unit start altijd in energetisch gunstiger recirculatiebedrijf
  • Afhankelijk van type unit is enthalpie-warmteterugwinning mogelijk

Nominale grootten

  • SCHOOLAIR-V 2-pijps systeem: 397 × 2160 × 359 mm (B × H × T)
  • SCHOOLAIR-V 4-pijps systeem: 397 × 2350 × 359 mm (B × H × T)
  • SCHOOLAIR-V-1800 2-pijps systeem, 4-pijps systeem: 600 × 1800 × 359 mm (B × H × T)
  • SCHOOLAIR-V-HE 2-pijps systeem, 4-pijps systeem: 600 × 2000 × 408 mm (B × H × T)
  • SCHOOLAIR-V-HV 2-pijps systeem, 4-pijps systeem: 600 × 2200 × 408 mm (B × H × T)

Toepassing

  • Ventilatie van ruimten, tot ca. 6 m diepte
  • 2- of 4-pijps warmtewisselaars maken een comfortabele ruimtetemperatuur mogelijk
  • Meng- verdringende luchttoevoer in de ruimte
  • De goede eigenschappen van water als energiedrager voor verwarming en koeling worden benut.
  • Geschikt voor nieuwbouw en renovatieprojecten
  • Verticale montage tegen binnenzijde gevel of buitenmuur
  • Specifieke toepassingen: onderwijs- en verblijfsruimten in scholen en kinderdagverblijven, kleinere spreekkamers, kantoorruimten

Speciale kenmerken

  • Decentrale ventilatie-unit met grote luchthoeveelheden
  • Gemotoriseerde afsluitkleppen voor toe- en afvoer van lucht, spanningsloos dicht, om ongecontroleerde luchtstromen te voorkomen
  • Hoeveelheidsregeling van de toe- en afvoerlucht op basis van luchtkwaliteit is mogelijk
  • Afhankelijk van type: kruisstroom,- kruistegenstroom-platenwisselaar met motorisch aangedreven bypass (100 % open-dicht of variabel) of warmtewiel als warmteterugwinning
  • Warmtewisselaar in 2- of 4-pijps uitvoering met G½" aansluiting, vlakdichtend
  • Voldoet aan de hygiënische eisen volgens VDI 6022
  • Filterklasse buitenlucht F7 en afvoerlucht G3
  • Vervanging filters zonder gereedschap mogelijk mbv. snelsluitingen
  • Condensbak met of zonder condensaansluiting
  • Door de compacte bouw bijzonder geschikt in renovatieprojecten
  • Automatische omschakeling op recirculatie (alleen in combinatie met luchtkwaliteitssensor) als de luchtkwaliteit (gemeten met de interne VOC-Sensor) binnen de vastgelegde grens valt. De unit start altijd in energetisch gunstiger recirculatiebedrijf
  • Afhankelijk van type unit is enthalpie-warmteterugwinning mogelijk

Nominale grootten

  • SCHOOLAIR-V 2-pijps systeem: 397 × 2160 × 359 mm (B × H × T)
  • SCHOOLAIR-V 4-pijps systeem: 397 × 2350 × 359 mm (B × H × T)
  • SCHOOLAIR-V-1800 2-pijps systeem, 4-pijps systeem: 600 × 1800 × 359 mm (B × H × T)
  • SCHOOLAIR-V-HE 2-pijps systeem, 4-pijps systeem: 600 × 2000 × 408 mm (B × H × T)
  • SCHOOLAIR-V-HV 2-pijps systeem, 4-pijps systeem: 600 × 2200 × 408 mm (B × H × T)

Technische informatie

Functie, Technische gegevens, Snelselectie, Bestekomschrijving, Bestelsleutel

  • Functie
  • Technische gegevens
  • Snelselectie
  • Bestekomschrijving
  • Bestelsleutel

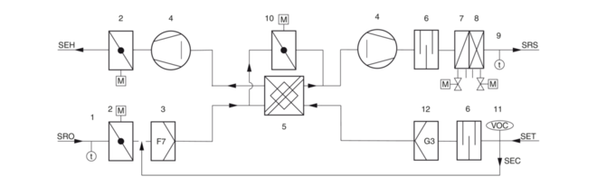
Functiebeschrijving

Decentrale units zorgen zowel voor de toe- en afvoer van lucht als ook de koeling en verwarming in ruimten.

De buitenlucht wordt door middel van een EC-radiaalventilator aangezogen en stroomt door de gemotoriseerde afsluitklep en het filter, klasse F7.

Aansluitend door de warmterugwinning, die in energetisch zinvollere situaties en in geval van vorst gepasseerd kan worden.

Voordat de lucht verdringend in de ruimte wordt toegevoerd, wordt deze afhankelijk van de vraag, nog verwarmd of gekoeld.

De afvoerlucht wordt via een vlakfilter G3 door de warmteterugwinning, de ventilator en afsluitklep naar buiten geleid.

Daarnaast kan bij goede luchtkwaliteit op recirculatie worden overgeschakeld.

Functiebeschrijving

Decentrale units zorgen zowel voor de toe- en afvoer van lucht als ook de koeling en verwarming in ruimten.

De buitenlucht wordt door middel van een EC-radiaalventilator aangezogen en stroomt door de gemotoriseerde afsluitklep en het filter, klasse F7.

Aansluitend door de warmterugwinning, die in energetisch zinvollere situaties en in geval van vorst gepasseerd kan worden.

Voordat de lucht verdringend in de ruimte wordt toegevoerd, wordt deze afhankelijk van de vraag, nog verwarmd of gekoeld.

De afvoerlucht wordt via een vlakfilter G3 door de warmteterugwinning, de ventilator en afsluitklep naar buiten geleid.

Daarnaast kan bij goede luchtkwaliteit op recirculatie worden overgeschakeld.

trox_blau20

Breedte

397 mm (2- resp. 4-pijps), 600 mm (2- resp. 4-pijps, 1800, HE en HV)

trox_blau20

Hoogte

1800 mm (2- resp. 4-pijps, 1800-versie), 2000 mm (HE-versie), 2160 mm (2-pijps), 2200 mm (HV-versie), 2350 mm (4-pijps)

trox_blau20

Diepte

359 mm (2- resp. 4-pijps, 1800-versie) 408 mm (2- resp. 4-pijps HE- en HV-versie)

trox_blau20

Hoeveelheid buitenlucht

Tot 500 m³/h

trox_blau20

Hoeveelheid toevoerlucht

Tot 500 m³/h

trox_blau20

Koelvermogen

Tot 1685 W

trox_blau20

Verwarmingsvermogen

Tot 6020 W

trox_blau20

Maximale waterzijdige bedrijfsdruk

6 bar

trox_blau20

Maximale bedrijfstemperatuur

75 °C

trox_blau20

Geluidvermogen

31 – 50 dB(A)

trox_blau20

Voedingsspanning

230 V AC ±10 %, 50/60 Hz

trox_blau20

Gewicht

Vanaf 80 kg

Breedte

397 mm (2- resp. 4-pijps), 600 mm (2- resp. 4-pijps, 1800, HE en HV)

Hoogte

1800 mm (2- resp. 4-pijps, 1800-versie), 2000 mm (HE-versie), 2160 mm (2-pijps), 2200 mm (HV-versie), 2350 mm (4-pijps)

Diepte

359 mm (2- resp. 4-pijps, 1800-versie) 408 mm (2- resp. 4-pijps HE- en HV-versie)

Hoeveelheid buitenlucht

Tot 500 m³/h

Hoeveelheid toevoerlucht

Tot 500 m³/h

Koelvermogen

Tot 1685 W

Verwarmingsvermogen

Tot 6020 W

Maximale waterzijdige bedrijfsdruk

6 bar

Maximale bedrijfstemperatuur

75 °C

Geluidvermogen

31 – 50 dB(A)

Voedingsspanning

230 V AC ±10 %, 50/60 Hz

Gewicht

Vanaf 80 kg


SCHOOLAIR-V-0 (Selectievoorbeeld) trox_blau20

Hoeveelheid toevoerlucht

m³/h

150

200

250

320

trox_blau20

Hoeveelheid buitenlucht

m³/h

150

200

250

320

trox_blau20

Totaal koelvermogen

W

vanaf 680

vanaf 900

vanaf 1130

vanaf 1440

trox_blau20

Koelvermogen ruimte

W

vanaf 401

vanaf 534

vanaf 668

vanaf 844

trox_blau20

Luchttemperatuur in de unit

°C

32

32

32

32

trox_blau20

Rel. Vochtigheid

%

40

40

40

40

trox_blau20

Watergehalte in droge lucht

g/kg

11,9

11,9

11,9

11,9

trox_blau20

Toevoerluchttemperatuur

°C

18

18

18

18,1

trox_blau20

Condensaat

g/h

0

0

0

0

trox_blau20

Hoeveelheid koud water

l/h

80

130

190

250

trox_blau20

Watertoevoertemperatuur

°C

16

16

16

16

trox_blau20

Waterretourtemperatuur

°C

23,3

22

21,1

21

trox_blau20

Drukverlies waterzijdig

kPa

<3

<5

<8

<12

trox_blau20

Totaal verwarmingsvermogen

W

2780

3700

4490

5470

trox_blau20

Verwarmingsvermogen ruimte

W

862

1136

1303

1422

trox_blau20

Luchttemperatuur in de unit

°C

–12

–12

–12

–12

trox_blau20

Toevoerluchttemperatuur

°C

37,2

37,0

35,6

33,3

trox_blau20

Warmwaterhoeveelheid

l/h

90

150

200

250

trox_blau20

Watertoevoertemperatuur

°C

60

60

60

60

trox_blau20

Waterretourtemperatuur

°C

32,9

38,5

40,4

40,9

trox_blau20

Drukverlies waterzijdig

kPa

<3

<5

<7

<11

trox_blau20

Geluidvermogen LWA

dB(A)

31

36

41

46

trox_blau20

Geluiddruk incl. 8 dB systeemdemping

dB(A)

23

28

33

38

SCHOOLAIR-V (1800 mm) (Selectievoorbeeld) trox_blau20

Hoeveelheid toevoerlucht

m³/h

150

230

280

350

trox_blau20

Hoeveelheid buitenlucht

m³/h

150

230

280

350

trox_blau20

Totaal koelvermogen

W

684

1060

1310

1590

trox_blau20

Koelvermogen ruimte

W

406

630

786

935

trox_blau20

Luchttemperatuur in de unit

°C

32,0

32,0

32,0

32,0

trox_blau20

Rel. Vochtigheid

%

40,0

40,0

40,0

40,0

trox_blau20

Watergehalte in droge lucht

g/kg

11,9

11,9

11,9

11,9

trox_blau20

Toevoerluchttemperatuur

°C

17,9

17,8

17,6

18,0

trox_blau20

Condensaat

g/h

0

0

0

0

trox_blau20

Hoeveelheid koud water

l/h

60

120

180

210

trox_blau20

Watertoevoertemperatuur

°C

16

16

16

16

trox_blau20

Waterretourtemperatuur

°C

25,8

23,6

22,3

22,5

trox_blau20

Drukverlies waterzijdig

kPa

1,1

3,8

8

10,4

trox_blau20

Totaal verwarmingsvermogen

W

2950

4230

4900

5630

trox_blau20

Verwarmingsvermogen ruimte

W

907

1122

1150

1005

trox_blau20

Luchttemperatuur in de unit

°C

–12,0

–12,0

–12,0

–12,0

trox_blau20

Toevoerluchttemperatuur

°C

40,1

36,6

34,3

30,6

trox_blau20

Warmwaterhoeveelheid

l/h

100

170

200

210

trox_blau20

Watertoevoertemperatuur

°C

60

60

60

60

trox_blau20

Waterretourtemperatuur

°C

34,4

38,4

38,8

36,8

trox_blau20

Drukverlies waterzijdig

kPa

4,8

12,3

16,5

18,1

trox_blau20

Geluidvermogen LWA

dB(A)

31

38

42

47

trox_blau20

Geluiddruk incl. 8 dB systeemdemping

dB(A)

23

30

34

39

SCHOOLAIR-V-HE (Selectievoorbeeld) trox_blau20

Hoeveelheid toevoerlucht

m³/h

150

200

240

360

trox_blau20

Totaal verwarmingsvermogen (Excl. warmteterugwinning)

W

2960

3820

4520

6020

trox_blau20

Verwarmingsvermogen ruimte

W

671

781

890

675

trox_blau20

Luchttemperatuur in de unit

°C

–16

–16

–16

–16

trox_blau20

Toevoerluchttemperatuur

°C

35,4

33,7

33,1

27,5

trox_blau20

Condenshoeveelheid

g/h

510

690

830

1180

trox_blau20

Warmwaterhoeveelheid

l/h

75

110

150

200

trox_blau20

Watertoevoertemperatuur

°C

60

60

60

60

trox_blau20

Waterretourtemperatuur

°C

26

30

34

34

trox_blau20

Drukverlies waterzijdig

kPa

2,9

5,7

10,0

16,7

trox_blau20

Geluidvermogen LWA

dB(A)

36

40

43

50

trox_blau20

Geluiddruk incl. 8 dB systeemdemping

dB(A)

28

32

35

42

SCHOOLAIR-V-HV (Selectievoorbeeld) trox_blau20

Hoeveelheid toevoerlucht

m³/h

200

300

400

500

trox_blau20

Totaal verwarmingsvermogen (Excl. warmteterugwinning)

W

1300

1960

2530

3150

trox_blau20

Verwarmingsvermogen ruimte

W

508

772

962

1169

trox_blau20

Luchttemperatuur in de unit

°C

10,0

10,0

10,0

10,0

trox_blau20

Toevoerluchttemperatuur

°C

28,6

28,7

28,2

28,0

trox_blau20

Warmwaterhoeveelheid

l/h

35

60

85

120

trox_blau20

Watertoevoertemperatuur

°C

60

60

60

60

trox_blau20

Waterretourtemperatuur

°C

27,8

31,7

34,1

37,2

trox_blau20

Drukverlies waterzijdig

kPa

2

5

9,5

17

SCHOOLAIR-V-0 (Selectievoorbeeld)

Hoeveelheid toevoerlucht

m³/h

150

200

250

320

Hoeveelheid buitenlucht

m³/h

150

200

250

320

Totaal koelvermogen

W

vanaf 680

vanaf 900

vanaf 1130

vanaf 1440

Koelvermogen ruimte

W

vanaf 401

vanaf 534

vanaf 668

vanaf 844

Luchttemperatuur in de unit

°C

32

32

32

32

Rel. Vochtigheid

%

40

40

40

40

Watergehalte in droge lucht

g/kg

11,9

11,9

11,9

11,9

Toevoerluchttemperatuur

°C

18

18

18

18,1

Condensaat

g/h

0

0

0

0

Hoeveelheid koud water

l/h

80

130

190

250

Watertoevoertemperatuur

°C

16

16

16

16

Waterretourtemperatuur

°C

23,3

22

21,1

21

Drukverlies waterzijdig

kPa

<3

<5

<8

<12

Totaal verwarmingsvermogen

W

2780

3700

4490

5470

Verwarmingsvermogen ruimte

W

862

1136

1303

1422

Luchttemperatuur in de unit

°C

–12

–12

–12

–12

Toevoerluchttemperatuur

°C

37,2

37,0

35,6

33,3

Warmwaterhoeveelheid

l/h

90

150

200

250

Watertoevoertemperatuur

°C

60

60

60

60

Waterretourtemperatuur

°C

32,9

38,5

40,4

40,9

Drukverlies waterzijdig

kPa

<3

<5

<7

<11

Geluidvermogen LWA

dB(A)

31

36

41

46

Geluiddruk incl. 8 dB systeemdemping

dB(A)

23

28

33

38


SCHOOLAIR-V (1800 mm) (Selectievoorbeeld)

Hoeveelheid toevoerlucht

m³/h

150

230

280

350

Hoeveelheid buitenlucht

m³/h

150

230

280

350

Totaal koelvermogen

W

684

1060

1310

1590

Koelvermogen ruimte

W

406

630

786

935

Luchttemperatuur in de unit

°C

32,0

32,0

32,0

32,0

Rel. Vochtigheid

%

40,0

40,0

40,0

40,0

Watergehalte in droge lucht

g/kg

11,9

11,9

11,9

11,9

Toevoerluchttemperatuur

°C

17,9

17,8

17,6

18,0

Condensaat

g/h

0

0

0

0

Hoeveelheid koud water

l/h

60

120

180

210

Watertoevoertemperatuur

°C

16

16

16

16

Waterretourtemperatuur

°C

25,8

23,6

22,3

22,5

Drukverlies waterzijdig

kPa

1,1

3,8

8

10,4

Totaal verwarmingsvermogen

W

2950

4230

4900

5630

Verwarmingsvermogen ruimte

W

907

1122

1150

1005

Luchttemperatuur in de unit

°C

–12,0

–12,0

–12,0

–12,0

Toevoerluchttemperatuur

°C

40,1

36,6

34,3

30,6

Warmwaterhoeveelheid

l/h

100

170

200

210

Watertoevoertemperatuur

°C

60

60

60

60

Waterretourtemperatuur

°C

34,4

38,4

38,8

36,8

Drukverlies waterzijdig

kPa

4,8

12,3

16,5

18,1

Geluidvermogen LWA

dB(A)

31

38

42

47

Geluiddruk incl. 8 dB systeemdemping

dB(A)

23

30

34

39


SCHOOLAIR-V-HE (Selectievoorbeeld)

Hoeveelheid toevoerlucht

m³/h

150

200

240

360

Totaal verwarmingsvermogen (Excl. warmteterugwinning)

W

2960

3820

4520

6020

Verwarmingsvermogen ruimte

W

671

781

890

675

Luchttemperatuur in de unit

°C

–16

–16

–16

–16

Toevoerluchttemperatuur

°C

35,4

33,7

33,1

27,5

Condenshoeveelheid

g/h

510

690

830

1180

Warmwaterhoeveelheid

l/h

75

110

150

200

Watertoevoertemperatuur

°C

60

60

60

60

Waterretourtemperatuur

°C

26

30

34

34

Drukverlies waterzijdig

kPa

2,9

5,7

10,0

16,7

Geluidvermogen LWA

dB(A)

36

40

43

50

Geluiddruk incl. 8 dB systeemdemping

dB(A)

28

32

35

42


SCHOOLAIR-V-HV (Selectievoorbeeld)

Hoeveelheid toevoerlucht

m³/h

200

300

400

500

Totaal verwarmingsvermogen (Excl. warmteterugwinning)

W

1300

1960

2530

3150

Verwarmingsvermogen ruimte

W

508

772

962

1169

Luchttemperatuur in de unit

°C

10,0

10,0

10,0

10,0

Toevoerluchttemperatuur

°C

28,6

28,7

28,2

28,0

Warmwaterhoeveelheid

l/h

35

60

85

120

Watertoevoertemperatuur

°C

60

60

60

60

Waterretourtemperatuur

°C

27,8

31,7

34,1

37,2

Drukverlies waterzijdig

kPa

2

5

9,5

17


Ventilatie-unit met toevoer- en afvoerfunctie met omschakelmogelijkheid voor recirculatie (afhankelijk van luchtkwaliteit), met warmtewisselaar en warmteterugwinning voor verticale plaatsing tegen de borstwering.

Speciale kenmerken

  • Decentrale ventilatie-unit met grote luchthoeveelheden
  • Gemotoriseerde afsluitkleppen voor toe- en afvoer van lucht, spanningsloos dicht, om ongecontroleerde luchtstromen te voorkomen
  • Hoeveelheidsregeling van de toe- en afvoerlucht op basis van luchtkwaliteit is mogelijk
  • Afhankelijk van type: kruisstroom,- kruistegenstroom-platenwisselaar met motorisch aangedreven bypass (100 % open-dicht of variabel) of warmtewiel als warmteterugwinning
  • Warmtewisselaar in 2- of 4-pijps uitvoering met G½" aansluiting, vlakdichtend
  • Voldoet aan de hygiënische eisen volgens VDI 6022
  • Filterklasse buitenlucht F7 en afvoerlucht G3
  • Vervanging filters zonder gereedschap mogelijk mbv. snelsluitingen
  • Condensbak met of zonder condensaansluiting
  • Door de compacte bouw bijzonder geschikt in renovatieprojecten
  • Automatische omschakeling op recirculatie (alleen in combinatie met luchtkwaliteitssensor) als de luchtkwaliteit (gemeten met de interne VOC-Sensor) binnen de vastgelegde grens valt. De unit start altijd in energetisch gunstiger recirculatiebedrijf
  • Afhankelijk van type unit is enthalpie-warmteterugwinning mogelijk

Materialen en afwerking

  • Huis, filterdeksel, ventilatoren en stelpoten van verzinkt plaatstaal
  • Warmtewisselaar bestaat uit koperen buizen met aluminium lamellen
  • Warmteterugwinning van aluminium of kunststof (afhankelijk van type unit)
  • Huis gepoedercoat, zwart (RAL9005)
  • F7-filtermedium van vochtwerend glasvezelpapier (Eurovent-gecertificeerd)
  • Isolatie van mineraalwol bouwstofklasse A volgens DIN 4102 bekleed met glaszijdedoek tegen erosie beschermd tot max. 20 m/s
  • Tochtband met gesloten celstructuur

Uitvoering

  • Gepoedercoat RAL 9005, zwart

Technische gegevens

  • Breedte: 397 mm (2- resp. 4-pijps), 600 mm (2- resp. 4-pijps, 1800, HE en HV)
  • Hoogte: 1800 mm (2- resp. 4-pijps, 1800-versie), 2000 mm (HE-versie), 2160 mm (2-pijps), 2200 mm (HV-versie), 2350 mm (4-pijps)
  • Diepte: 359 mm (2- resp. 4-pijps, 1800-versie) 408 mm (2- resp. 4-pijps HE- en HV-versie)
  • Buitenluchthoeveelheid: tot 500 m³/h
  • Hoeveelheid toevoerlucht: tot 500 m³/h
  • Koelvermogen: tot 1685 W
  • Verwarmingsvermogen: tot 6020 W
  • Maximale waterzijdige bedrijfsdruk 6 bar
  • Maximale bedrijfstemperatuur: 75 °C
  • Geluidvermogen: 31 – 50 dB(A)
  • Voedingsspanning: 230 V AC ±10 %, 50/60 Hz
  • Gewicht: vanaf 80 kg
  • Elektrische dimensionering: SCHOOLAIR-V-2L: 136 VA, SCHOOLAIR-V-4L: 117 VA, SCHOOLAIR-V-1800: 141 VA, SCHOOLAIR-V-HE: 208 VA, SCHOOLAIR-V-HV: 495 VA
  • Opgenomen vermogen bij nominale luchthoeveelheid: SCHOOLAIR-V-2L: 44 W, SCHOOLAIR-V-4L: 45 W, SCHOOLAIR-V-1800: 46 W, SCHOOLAIR-V-HE: 42 W, SCHOOLAIR-V-HV: 147 W

Selectiegegevens

Buitenlucht

  • V_________________[m³/h]

Toevoerlucht

  • V_________________[m³/h]

Koelvermogen ruimte

  • Q_________________[W]

Verwarmingsvermogen ruimte

  • Q_________________[W]


  • LWA_______________[dB(A)]

Ventilatie-unit met toevoer- en afvoerfunctie met omschakelmogelijkheid voor recirculatie (afhankelijk van luchtkwaliteit), met warmtewisselaar en warmteterugwinning voor verticale plaatsing tegen de borstwering.

Speciale kenmerken

  • Decentrale ventilatie-unit met grote luchthoeveelheden
  • Gemotoriseerde afsluitkleppen voor toe- en afvoer van lucht, spanningsloos dicht, om ongecontroleerde luchtstromen te voorkomen
  • Hoeveelheidsregeling van de toe- en afvoerlucht op basis van luchtkwaliteit is mogelijk
  • Afhankelijk van type: kruisstroom,- kruistegenstroom-platenwisselaar met motorisch aangedreven bypass (100 % open-dicht of variabel) of warmtewiel als warmteterugwinning
  • Warmtewisselaar in 2- of 4-pijps uitvoering met G½" aansluiting, vlakdichtend
  • Voldoet aan de hygiënische eisen volgens VDI 6022
  • Filterklasse buitenlucht F7 en afvoerlucht G3
  • Vervanging filters zonder gereedschap mogelijk mbv. snelsluitingen
  • Condensbak met of zonder condensaansluiting
  • Door de compacte bouw bijzonder geschikt in renovatieprojecten
  • Automatische omschakeling op recirculatie (alleen in combinatie met luchtkwaliteitssensor) als de luchtkwaliteit (gemeten met de interne VOC-Sensor) binnen de vastgelegde grens valt. De unit start altijd in energetisch gunstiger recirculatiebedrijf
  • Afhankelijk van type unit is enthalpie-warmteterugwinning mogelijk

Materialen en afwerking

  • Huis, filterdeksel, ventilatoren en stelpoten van verzinkt plaatstaal
  • Warmtewisselaar bestaat uit koperen buizen met aluminium lamellen
  • Warmteterugwinning van aluminium of kunststof (afhankelijk van type unit)
  • Huis gepoedercoat, zwart (RAL9005)
  • F7-filtermedium van vochtwerend glasvezelpapier (Eurovent-gecertificeerd)
  • Isolatie van mineraalwol bouwstofklasse A volgens DIN 4102 bekleed met glaszijdedoek tegen erosie beschermd tot max. 20 m/s
  • Tochtband met gesloten celstructuur

Uitvoering

  • Gepoedercoat RAL 9005, zwart

Technische gegevens

  • Breedte: 397 mm (2- resp. 4-pijps), 600 mm (2- resp. 4-pijps, 1800, HE en HV)
  • Hoogte: 1800 mm (2- resp. 4-pijps, 1800-versie), 2000 mm (HE-versie), 2160 mm (2-pijps), 2200 mm (HV-versie), 2350 mm (4-pijps)
  • Diepte: 359 mm (2- resp. 4-pijps, 1800-versie) 408 mm (2- resp. 4-pijps HE- en HV-versie)
  • Buitenluchthoeveelheid: tot 500 m³/h
  • Hoeveelheid toevoerlucht: tot 500 m³/h
  • Koelvermogen: tot 1685 W
  • Verwarmingsvermogen: tot 6020 W
  • Maximale waterzijdige bedrijfsdruk 6 bar
  • Maximale bedrijfstemperatuur: 75 °C
  • Geluidvermogen: 31 – 50 dB(A)
  • Voedingsspanning: 230 V AC ±10 %, 50/60 Hz
  • Gewicht: vanaf 80 kg
  • Elektrische dimensionering: SCHOOLAIR-V-2L: 136 VA, SCHOOLAIR-V-4L: 117 VA, SCHOOLAIR-V-1800: 141 VA, SCHOOLAIR-V-HE: 208 VA, SCHOOLAIR-V-HV: 495 VA
  • Opgenomen vermogen bij nominale luchthoeveelheid: SCHOOLAIR-V-2L: 44 W, SCHOOLAIR-V-4L: 45 W, SCHOOLAIR-V-1800: 46 W, SCHOOLAIR-V-HE: 42 W, SCHOOLAIR-V-HV: 147 W

Selectiegegevens

Buitenlucht

  • V_________________[m³/h]

Toevoerlucht

  • V_________________[m³/h]

Koelvermogen ruimte

  • Q_________________[W]

Verwarmingsvermogen ruimte

  • Q_________________[W]


  • LWA_______________[dB(A)]

00248695_0

 Serie
SCHOOLAIR-V Verticale ventilatie unit

 Uitvoering
       Geen vermelding: standaard
HE       Hoger warmteterugwinrendement
HV       Grote luchthoeveelheid

Warmtewisselaar
2       2-pijps
4       4-pijps

 Condensbak
       Geen opgaaf: zonder
KM       Met condensaansluiting

Afmetingen [mm]
       B × H × T
397 × 2160 × 359 (2-pijps)
397 × 2350 × 359 (4-pijps)
604 × 1800 × 359 (2-, 4-pijps 1800-versie)
600 × 2000 × 408 (2-, 4-pijps HE-versie)
600 × 2200 × 408 (2-, 4-pijps HV-versie)

 Regeling
       Geen opgaaf: zonder
R       Met

 Regelingsfunctie
MA       Master (Ruimtemodule en regelmodule)
SL       Slave (Regelmodule)

 Real time clock
       Geen vermelding: zonder
       Alleen master
T       Met

 Aansluiting
       Geen vermelding: zonder
       Alleen master
B       BACnet MS/TP of Modbus RTU
L       LonWorks LON-FTT10

 

 Luchtkwaliteitsvoeler
       Geen vermelding: zonder
       Alleen master
V       VOC-Sensor

 Toevoertemperatuurvoeler
Z       Met

 Buitenluchttemperatuurvoeler
       Geen vermelding: zonder
       Alleen master
A       Met

 Verwarmingsventiel
HV       Met

Voetventiel verwarmingscircuit
R       Met

 kVS-waarde verwarmingsventiel
0,25
0,40
0,63
1,00
F0,50

 Koelventiel
       Alleen vierpijpssysteem
KV       Met

Voetventiel koelcircuit
R       Met

 kvs-waarde koelventiel
0,25
0,40
0,63
1,00
F0,50

Decentrale ventilatie-units zijn hoogwaardig technische producten die in onderling overleg worden samengesteld, afgestemd op de project-eisen. Hiervoor kunt u zich wenden tot een van de TROX vestigingen.

 

Uitvoeringen, Afmetingen en gewichten

  • Uitvoeringen
  • Afmetingen en gewichten

Inbouwvoorbeelden, Inbouwdetails, Kenmerken en definities

  • Inbouwvoorbeelden
  • Inbouwdetails
  • Kenmerken en definities

Inbouw en inbedrijfname

  • Montage op de vloer verticaal aan de gevel of buitenmuur
  • Bouwkundige oneffenheden worden opvangen met 4 verstelbare poten (+40 mm)
  • 1 verstelbaar bevestigingsprofiel voor montage
  • Weersbestendige aanzuig- en afvoeropening door derden
  • Sparingen in gevel of buitenmuur, bij voorkeur onder afschot, moeten worden gekoppeld aan de twee luchtaansluitingen
  • Vrije doorlaat van de openingen 0,05 m² per opening
  • De montage en het aansluiten, maar ook het leveren van montage-, verbindings- en afdichtingsmateriaal, door derden
  • Wateraansluitingen voor aanvoer en retour bevinden zich, vanuit de ruimte gezien, rechts
  • Men dient zelf te beoordelen of een optionele aftap en/of ontluchting noodzakelijk is
  • Elektrische aansluiting zit vanuit het verblijf gezien, in het onderste gedeelte aan de rechter zijde
  • De omkasting mag aan de voorzijde van de unit de bereikbaarheid voor onderhoud etc. niet beperken.

Inbouw en inbedrijfname

  • Montage op de vloer verticaal aan de gevel of buitenmuur
  • Bouwkundige oneffenheden worden opvangen met 4 verstelbare poten (+40 mm)
  • 1 verstelbaar bevestigingsprofiel voor montage
  • Weersbestendige aanzuig- en afvoeropening door derden
  • Sparingen in gevel of buitenmuur, bij voorkeur onder afschot, moeten worden gekoppeld aan de twee luchtaansluitingen
  • Vrije doorlaat van de openingen 0,05 m² per opening
  • De montage en het aansluiten, maar ook het leveren van montage-, verbindings- en afdichtingsmateriaal, door derden
  • Wateraansluitingen voor aanvoer en retour bevinden zich, vanuit de ruimte gezien, rechts
  • Men dient zelf te beoordelen of een optionele aftap en/of ontluchting noodzakelijk is
  • Elektrische aansluiting zit vanuit het verblijf gezien, in het onderste gedeelte aan de rechter zijde
  • De omkasting mag aan de voorzijde van de unit de bereikbaarheid voor onderhoud etc. niet beperken.

Definities

LWA [dB(A)]

Geluidvermogen

tPr [°C]

Primaire luchttemperatuur

tWV [C°]

Watertoevoertemperatuur koelen/verwarmen

tR [C°]

Ruimtetemperatuur

tAN [C°]

Temperatuur secundaire lucht

QPr [W]

Thermisch vermogen primaire lucht

Qges [W]

Thermisch vermogen totaal

QW [W]

Thermisch vermogen water koelen/verwarmen

VPr [l/s/m³/h]

Primaire luchthoeveelheid

VW [l/h]

Waterhoeveelheid koelen/verwarmen

V [l/h]

Luchthoeveelheid

∆tW [K]

Temperatuurverschil water

∆pW [kPa]

Waterzijdig drukverlies

∆pt [Pa]

Totaal drukverlies luchtzijdig

∆tPr = tPr - tR [K]

Temperatuurverschil tussen primaire- en ruimtelucht

∆tRWV = tWV - tR [K]

Temperatuurverschil tussen watertoevoer- en ruimtetemperatuur

∆tWm-Ref [K]

Temperatuurverschil tussen gemiddelde water- en referentietemperatuur

Hoofdafmetingen

LN [mm]

Nominale lengte

Meng-verdringingventilatie

Met een gemiddelde snelheid van 1,0 - 1,5 m/s stroomt lucht aan gevelzijde de ruimte in. Door inductie wordt de snelheid kort op het rooster afgebouwd en verdeelt zich tijdens koelbedrijf verdingende over de vloer. Warmtebronnen, zoals mensen en apparatuur, veroorzaken een convectieve luchtstroming waardoor verse lucht toestroomt.

Definities

LWA [dB(A)]

Geluidvermogen

tPr [°C]

Primaire luchttemperatuur

tWV [C°]

Watertoevoertemperatuur koelen/verwarmen

tR [C°]

Ruimtetemperatuur

tAN [C°]

Temperatuur secundaire lucht

QPr [W]

Thermisch vermogen primaire lucht

Qges [W]

Thermisch vermogen totaal

QW [W]

Thermisch vermogen water koelen/verwarmen

VPr [l/s/m³/h]

Primaire luchthoeveelheid

VW [l/h]

Waterhoeveelheid koelen/verwarmen

V [l/h]

Luchthoeveelheid

∆tW [K]

Temperatuurverschil water

∆pW [kPa]

Waterzijdig drukverlies

∆pt [Pa]

Totaal drukverlies luchtzijdig

∆tPr = tPr - tR [K]

Temperatuurverschil tussen primaire- en ruimtelucht

∆tRWV = tWV - tR [K]

Temperatuurverschil tussen watertoevoer- en ruimtetemperatuur

∆tWm-Ref [K]

Temperatuurverschil tussen gemiddelde water- en referentietemperatuur

Hoofdafmetingen

LN [mm]

Nominale lengte

Meng-verdringingventilatie

Met een gemiddelde snelheid van 1,0 - 1,5 m/s stroomt lucht aan gevelzijde de ruimte in. Door inductie wordt de snelheid kort op het rooster afgebouwd en verdeelt zich tijdens koelbedrijf verdingende over de vloer. Warmtebronnen, zoals mensen en apparatuur, veroorzaken een convectieve luchtstroming waardoor verse lucht toestroomt.

Warmtewisselaar

De maximaal toelaatbare waterzijdige bedrijfsdruk is 6 bar en geldt voor alle warmtewisselaars.

De maximaal toelaatbare watertoevoertemperatuur is 75 °C en geldt voor alle warmtewiselaars; indien aangesloten met flexibele slangen is het raadzaam deze temperatuur op 55 °C te begrenzen. Andere drukken en temperaturen op aanvraag!

De minimale watertoevoertemperatuur begrenzen op 16 °C, zodat geen langdurige dauwpuntonderschreiding optreedt.. Bij apparaten die voorzien zijn van een condensbak, mag de watertoevoertemperatuur minimaal 15 °C zijn.

Warmtewisselaar 2-pijps uitvoering

Lucht-watersystemen met 2-pijps warmtewisselaars kunnen worden toegepast voor verwarming of koeling. Een zogenaamd change over bedrijf maakt het mogelijk op alle wisselaars op één leidingnet in de zomer te koelen of in de winter te verwarmen.

Warmtewisselaar 4-pijps uitvoering

Lucht-watersystemen met 4-pijps warmtewisselaars kunnen worden toegepast indien zowel verwarming als koeling gevraagd wordt, bijvoorbeeld tijdens seizoenswisseling. Hierbij kan het voorkomen dat in verschillende delen van een gebouw, koeling dan wel verwarming gewenst is.

Downloads

Productinformatie

Certificaten

Handleidingen

production {"x-frame-options"=>"SAMEORIGIN", "x-xss-protection"=>"0", "x-content-type-options"=>"nosniff", "x-permitted-cross-domain-policies"=>"none", "referrer-policy"=>"strict-origin-when-cross-origin", "strict-transport-security"=>"max-age=31536000; includeSubDomains", "content-type"=>"text/html; charset=utf-8", "link"=>"</assets/application-efbc495b06ca980ef13dc743756002fce2f413f798fecb64c7f0c81954c16402.css>; rel=preload; as=style; nopush,</assets/print-fec2e47d6d8dcc5d4c101139f17046ba981ca1c12f71e7e403fba50cc7584175.css>; rel=preload; as=style; nopush,</assets/other_js/modernizr.custom.93544-c26374a79d804901074bb4aa6fd3fa44ea22e840389915d2adce16b024021ef3.js>; rel=preload; as=script; nopush,</assets/other_js/js.cookie.min-de103d86d1919b40950f791699b4ce768137fde41af09b35ff92bde369732183.js>; rel=preload; as=script; nopush,</assets/other_js/jquery-3.5.1-2c4ce18a1a3f144c333912efc24a76c9a165a0dba9f88a499985df1af0a196a2.js>; rel=preload; as=script; nopush"}

Deel deze pagina

Beveel deze pagina aan

U kunt deze pagina delen door de link te delen.

Velden met een ster (*) zijn verplichte velden.

Contact

Bedankt voor uw bericht!

Uw aanbeveling is verzonden naar de ontvanger.

Contact

Wij zijn er om u te helpen.

Wilt u het onderwerp van uw aanvraag en uw contactgegevens specificeren a.u.b.
Tel.: +32 (0) 2/522 07 80

Attachment (max. 10MB)

Velden met een ster (*) zijn verplichte velden.

Contact

Bedankt voor uw bericht!

Uw aanvraag is door ons ontvangen en wordt behandeld.
Onze afdeling voor service-aanvragen zal op korte termijn contact met u opnemen.
Voor algemene vragen over producten en diensten kunt u ons ook bereiken op:
Tel.: +32 (0) 2/522 07 80

Contact

Wij zijn er om u te helpen.

Wilt u het onderwerp van uw aanvraag en uw contactgegevens specificeren a.u.b.
Tel.: +32 (0) 2/522 07 80

Attachment (max. 10MB)

Velden met een ster (*) zijn verplichte velden.

Contact

Bedankt voor uw bericht!

Uw aanvraag is door ons ontvangen en wordt behandeld.
Onze afdeling voor service-aanvragen zal op korte termijn contact met u opnemen.
Voor algemene vragen over producten en diensten kunt u ons ook bereiken op:
Tel.: +32 (0) 2/522 07 80