00181308_0
VSD35-3-AZ

Schwarze Luftleitelemente

00190407_0
Wandeinbau


00173291_0
Schräge, einseitige Zuluftströmung und Abluft


00181308_0
00190407_0
00173291_0

VSD35-3-AZ 

Be- und Entlüftung platzsparend in einem Gehäuse

Schlitzdurchlässe in 35 mm Nennbreite als Zuluft-Abluft-Kombination

  • Nennlängen 600 – 1200 mm, 3 Schlitze
  • Volumenstrombereich 8 – 40 l/s oder 30 – 144 m³/h
  • Frontdurchlass aus Aluminium-Strangpressprofilen
  • Für konstante und variable Volumenströme
  • Hohe Induktion zum schnellen Abbau der Temperaturdifferenz und Luftgeschwindigkeit
  • Einzeln verstellbare Luftleitelemente ermöglichen eine individuelle Anpassung an die örtlichen Gegebenheiten


Optionale Ausstattung und Zubehör

  • Sichtseite des Frontdurchlasses in Farben nach RAL Classic
  • Frontseitig verstellbares Drosselelement zum Volumenstromabgleich
  • Telefonieschalldämpfer mit hoher Durchgangsdämpfung
  • Schraubbefestigung
  • Endwinkel, Befestigungswinkel

Anwendung

Anwendung

  • Schlitzdurchlässe der Serie VSD35-3-AZ als Zuluft-Abluft-Kombination für Komfortbereiche
  • Einseitige schräge Luftführung für turbulente Mischlüftung
  • Hohe Induktion bewirkt schnellen Abbau der Temperaturdifferenz und der Luftgeschwindigkeit
  • Für konstante und variable Volumenströme
  • Für Zulufttemperaturdifferenzen von –10 bis +10 K
  • Für Räume bis ca. 4 m Höhe (Unterkante Fertigdecke)
  • Für waagerechten Einbau in Wände und Abkofferungen

Besondere Merkmale

  • Einzeln verstellbare Luftleitelemente ermöglichen eine individuelle Anpassung an die örtlichen Gegebenheiten
  • Hohe Induktion zum schnellen Abbau der Temperaturdifferenz und Luftgeschwindigkeit
  • Frontdurchlass optimiert für maximalen Volumenstrom bei niedrigen Schallleistungspegeln
  • Optisch durchlaufende Bandverlegung möglich

Nenngrößen

  • LN: 600, 750, 900, 1050, 1200 mm

Beschreibung

Varianten

  • VSD35-3-AZ-...: Zuluft-Abluft-Kombination ohne Telefonieschalldämpfer
  • VSD35-3-AZ-...-ZT: Zuluft-Abluft-Kombination mit Telefonieschalldämpfer
  • VSD35-3-AZ-...: Schwarze Luftleitelemente
  • VSD35-3-AZ-.../WW: Weiße Luftleitelemente


Anschluss und Befestigung des Frontdurchlasses

  • AK: Anschlusskasten und starre Befestigung
  • AS: Anschlusskasten und Schraubbefestigung

Bauteile und Eigenschaften

  • Frontdurchlass mit einzelnen verstellbaren Luftleitelementen
  • Anschlusskasten für horizontalen Luftleitungsanschluss
  • Schraubbefestigung zur einfachen Montage des Frontdurchlasses oder Schraubbefestigung

Anbauteile

  • Drosselelement zum Volumenstromabgleich
  • Endwinkel

Zubehör

  • Lippendichtung
  • Befestigungswinkel

Konstruktionsmerkmale

  • Anschlussstutzen passend für runde Luftleitungen nach EN 1506 oder EN 13180
  • Anschlussstutzen mit Einlegesicke für Lippendichtung (nur bei Zubehör Lippendichtung)

Materialien und Oberflächen

  • Frontdurchlass aus Aluminium-Strangpressprofil
  • Luftleitelemente aus Kunststoff, nach UL 94, V-0, flammwidrig
  • Anschlusskasten und Befestigungswinkel aus verzinktem Stahlblech
  • Endwinkel aus Aluminium
  • Lippendichtung aus Gummi
  • Absorptionsmaterial des Telefonieschalldämpfers Mineralwolle
  • Frontdurchlass eloxiert, E6-C-0, naturfarben
  • P1: Pulverbeschichtet, Farbton nach RAL Classic
  • Luftleitelemente ähnlich RAL 9005, schwarz
  • WW: Luftleitelemente ähnlich RAL 9010, weiß


Mineralwolle

  • Nach EN 13501, Baustoffklasse A1, nicht brennbar
  • RAL-Gütezeichen RAL-GZ 388
  • Hygienisch unbedenklich durch hohe Biolöslichkeit, nach TRGS 905 sowie EU-Richtlinie 97/69/EG
  • Durch aufkaschiertes Glasseidengewebe vor Abrieb durch strömende Luft bis max. 20 m/s geschützt
  • Inert gegenüber Pilz- und Bakterienwachstum

Normen und Richtlinien

  • Schallleistungspegel des Strömungsgeräusches gemessen nach EN ISO 5135

Instandhaltung

  • Wartungsfrei, da aufgrund der Konstruktion und der verwendeten Materialien keine Abnutzung erfolgt
  • Überprüfung und Reinigung nach VDI 6022

Technische Information

Funktion, Technische Daten, Schnellauslegung, Ausschreibungstext, Bestellschlüssel

  • Funktion
  • Technische Daten
  • Schnellauslegung
  • AUSSCHREIBUNGSTEXT
  • BESTELLSCHLÜSSEL

Funktionsbeschreibung

Schlitzdurchlässe lassen die Zuluft lufttechnischer Anlagen schräg in den Raum strömen. Die Strömung erfolgt mit hoher Induktion von Raumluft und infolge dessen mit schneller Reduzierung der Luftgeschwindigkeit und der Temperaturdifferenz zwischen Zuluft und Raumluft. Das Ergebnis ist eine Mischlüftung für Komfortbereiche mit guter Raumdurchlüftung bei geringen Turbulenzen im Aufenthaltsbereich.

Schlitzdurchlässe der Serie VSD35-3-AZ haben verstellbare Luftleitelemente. Die Zulufttemperaturdifferenz kann –10 bis +10 K betragen.

Ein Drosselelement (optional) vereinfacht den Volumenstromabgleich zur Inbetriebnahme.

Die Serie VSD35-3-AZ ist eine platzsparende Zuluft-Abluft-Kombination.

Nennlängen

600, 750, 900, 1050, 1200 mm

Anzahl Schlitze

3

Minimaler Volumenstrom, bei ΔtZ = –6 K

8 – 15 l/s oder 30 – 54 m³/h

Maximaler Volumenstrom, bei LWA ≅ 50 dB(A)

25 – 40 l/s oder 90 – 144 m³/h

Zulufttemperaturdifferenz

–10 bis +10 K


Durchgangsdämpfungsmaß Zuluft

Nennlänge Mittenfrequenz fm [Hz]
Nennlänge 125 250 500 1000 2000
Nennlänge Dt
Nennlänge dB

600, 750, 900, 1050, 1200

14

7

7

4

4


Durchgangsdämpfungsmaß Abluft

Nennlänge Mittenfrequenz fm [Hz]
Nennlänge 125 250 500 1000 2000
Nennlänge Dt
Nennlänge dB

600, 750, 900, 1050, 1200

14

7

7

4

4


Durchgangsdämpfungsmaß Zuluft

Nennlänge Mittenfrequenz fm [Hz]
Nennlänge 125 250 500 1000 2000
Nennlänge Dt
Nennlänge dB

600, 750

16

13

14

16

25

900, 1050, 1200

18

12

14

21

26


Durchgangsdämpfungsmaß Abluft

Nennlänge Mittenfrequenz fm [Hz]
Nennlänge 125 250 500 1000 2000
Nennlänge Dt
Nennlänge dB

600, 750

15

11

11

15

22

900, 1050, 1200

17

11

13

19

25


Die Schnellauslegung gibt einen guten Überblick über die möglichen Volumenströme und die korrespondierenden Schallleistungspegel und Druckdifferenzen.

Die maximalen Volumenströme gelten für einen Schallleistungspegel von ca. 50 dB (A) bei 0° Drosselklappenstellung.

VSD35-3-AZ, Schallleistungspegel und Gesamtdruckdifferenz

Nennlänge V Drosselklappenstellung
Nennlänge V 45° 90°
Nennlänge V Δpt Zuluft Δpt Abluft LWA Δpt Zuluft Δpt Abluft LWA Δpt Zuluft Δpt Abluft LWA
Nennlänge l/s m³/h Pa dB(A) Pa dB(A) Pa dB(A)

600

8

30

6

3

15

9

5

17

26

13

24

600

15

54

19

9

31

31

16

34

85

43

40

600

25

90

54

26

45

86

45

47

237

120

54

600

30

108

77

37

50

124

65

52

341

173

59

750

10

37

7

4

21

12

8

23

28

19

31

750

20

72

28

15

38

44

31

40

107

74

47

750

25

90

44

24

44

68

48

46

167

116

53

750

30

108

64

35

48

98

70

51

241

167

57

900

12

44

9

6

23

14

10

26

37

28

29

900

20

72

24

15

36

37

27

39

97

74

44

900

30

108

55

33

46

82

60

50

217

167

55

900

35

126

74

45

51

112

82

54

296

228

60

1050

15

54

12

8

28

17

15

30

58

39

38

1050

25

90

34

22

40

48

41

44

161

110

51

1050

35

126

66

43

49

95

80

53

316

215

60

1050

40

144

86

56

52

124

104

56

413

281

63

1200

15

54

11

8

26

20

13

29

55

41

38

1200

30

108

44

30

44

79

52

47

218

165

56

1200

35

126

60

41

48

107

71

52

297

225

60

1200

40

144

79

54

51

140

92

55

388

293

63


VSD35-3-AZ-ZT, Schallleistungspegel und Gesamtdruckdifferenz

Nennlänge V Drosselklappenstellung
Nennlänge V 45° 90°
Nennlänge V Δpt Zuluft Δpt Abluft LWA Δpt Zuluft Δpt Abluft LWA Δpt Zuluft Δpt Abluft LWA
Nennlänge l/s m³/h Pa dB(A) Pa dB(A) Pa dB(A)

600

8

30

13

9

18

13

10

18

22

17

20

600

15

54

42

30

35

43

35

36

73

58

36

600

20

72

74

53

44

76

62

44

130

104

44

600

25

90

116

83

50

119

96

51

203

162

50

750

10

36

19

15

24

12

16

25

32

31

26

750

15

54

43

33

36

44

36

37

73

69

37

750

20

72

76

58

44

68

65

46

129

122

44

750

25

90

118

91

51

98

101

52

202

191

50

900

12

44

19

14

24

14

17

24

45

36

26

900

20

72

51

37

38

37

44

37

118

95

39

900

25

90

79

58

44

82

69

43

184

149

45

900

30

108

114

83

49

112

100

48

265

215

50

1050

15

54

27

21

30

17

31

31

65

56

32

1050

25

90

76

59

44

48

86

45

182

155

45

1050

30

108

110

84

49

95

124

50

261

223

50

1050

35

126

149

115

53

124

169

54

356

304

54

1200

15

54

28

21

30

20

26

29

65

54

31

1200

20

72

49

38

38

79

45

37

116

95

39

1200

30

108

111

85

49

107

102

48

261

215

49

1200

35

126

151

115

53

140

139

52

355

292

53


Schlitzdurchlässe mit einzeln manuell verstellbaren Luftleitelementen und dreischlitzigem formschönen Profil für einseitige schräge Luftführung. Als Zuluft-Abluft-Kombination. Zum Einbau in Wände und Abkofferungen.

Einbaufertige Komponente, bestehend aus dem Frontdurchlass mit einzeln verstellbaren schwarzen oder weißen Luftleitelementen und einem Anschlusskasten mit horizontal angeordneten Anschlussstutzen für Zuluft und Abluft.

Schraubbefestigung oder starre Befestigung zum Anschlusskasten.

Anschlussstutzen passend für runde Luftleitungen nach EN 1506 oder EN 13180.

Schallleistungspegel des Strömungsgeräusches gemessen nach EN ISO 5135.

Durchgangsdämpfungsmaß gemessen nach EN ISO 7235.

Besondere Merkmale

  • Einzeln verstellbare Luftleitelemente ermöglichen eine individuelle Anpassung an die örtlichen Gegebenheiten
  • Hohe Induktion zum schnellen Abbau der Temperaturdifferenz und Luftgeschwindigkeit
  • Frontdurchlass optimiert für maximalen Volumenstrom bei niedrigen Schallleistungspegeln
  • Optisch durchlaufende Bandverlegung möglich

Materialien und Oberflächen

  • Frontdurchlass aus Aluminium-Strangpressprofil
  • Luftleitelemente aus Kunststoff, nach UL 94, V-0, flammwidrig
  • Anschlusskasten und Befestigungswinkel aus verzinktem Stahlblech
  • Endwinkel aus Aluminium
  • Lippendichtung aus Gummi
  • Absorptionsmaterial des Telefonieschalldämpfers Mineralwolle
  • Frontdurchlass eloxiert, E6-C-0, naturfarben
  • P1: Pulverbeschichtet, Farbton nach RAL Classic
  • Luftleitelemente ähnlich RAL 9005, schwarz
  • WW: Luftleitelemente ähnlich RAL 9010, weiß


Mineralwolle

  • Nach EN 13501, Baustoffklasse A1, nicht brennbar
  • RAL-Gütezeichen RAL-GZ 388
  • Hygienisch unbedenklich durch hohe Biolöslichkeit, nach TRGS 905 sowie EU-Richtlinie 97/69/EG
  • Durch aufkaschiertes Glasseidengewebe vor Abrieb durch strömende Luft bis max. 20 m/s geschützt
  • Inert gegenüber Pilz- und Bakterienwachstum

Technische Daten

  • Nennlängen: 600, 750, 900, 1050, 1200 mm
  • Anzahl Schlitze: 3
  • Minimaler Volumenstrom: 8 – 15 l/s oder 30 – 54 m³/h
  • Maximaler Volumenstrom, bei LWA ≅ 50 dB(A): 25 – 40 l/s oder 90 – 144 m³/h
  • Zulufttemperaturdifferenz: –10 bis +10 K

Auslegungsdaten

  • V _______________________ [m³/h]
  • Δpt _______________________ [Pa]

Strömungsgeräusch

  • LWA _______________________ [dB(A)]

Dieser Ausschreibungstext beschreibt die generellen Eigenschaften des Produkts. Texte für Varianten generiert unser Auslegungsprogramm Easy Product Finder.

00135410_0

 Serie
VSD35-3-AZ       Schlitzdurchlass als Zuluft-Abluft-Kombination

 Anschluss
       Anschlusskasten
AK       Mit starrer Befestigung
AS       Mit Schraubbefestigung

 Zubehör Telefonieschalldämpfer
       Keine Eintragung: Ohne
ZT       Mit

 Drosselelement zum Volumenstromabgleich
       Keine Eintragung: Ohne
M       Mit

 Zubehör
       Keine Eintragung: Ohne
L       Mit Lippendichtung

 

 Nenngröße [mm]
600
750
900
1050
1200

 Endabschlüsse
       Keine Eintragung: Ohne
C2       Endwinkel beidseitig montiert

 Zubehör Befestigung
       Keine Eintragung: Ohne
W00       Befestigungswinkel zur Wandbefestigung (Lose beigestellt)

 Oberfläche Sichtseite
       Keine Eintragung: Eloxiert E6-C-0, naturfarben
P1       Pulverbeschichtet, RAL Classic Farbton angeben

       Glanzgrad
       RAL 9010 50 %
       RAL 9006 30 %
       Alle anderen RAL-Farben 70 %

 Farbe Luftleitelemente
       Keine Eintragung: Ähnlich RAL 9005, schwarz
WW       Ähnlich RAL 9010, weiß

Bestellbeispiel: VSD35-3-AZ-AS-ZT-M-L/900/C2/W00/P1-RAL 9010/WW

Anschluss

Mit
Schraubbefestigung

Zubehör Telefonieschalldämpfer

Mit

Drosselelement zum Volumenstromabgleich

Mit

Zubehör

Lippendichtung

Nenngröße

900 mm

Endabschlüsse

Endwinkel

Befestigung

Befestigungswinkel

Oberfläche Sichtseite

RAL 9010, reinweiß, Glanzgrad 50 %

Farbe Luftleitelemente

Weiß


 

Varianten, Anbauteile, Abmessungen und Gewichte, Produktdetails

  • VARIANTEN
  • ANBAUTEILE
  • ABMESSUNGEN UND GEWICHTE
  • PRODUKTDETAILS
VSD35-3-AZVSD35-3-AZ

Nennlänge
mm
LN
L1
mm
600 600
750 750
900 900
1050 1050
1200 1200


Variante
P
mm
VSD35-3-AZ 109


VSD35-3-AZVSD35-3-AZ-ZT

Nennlänge
mm
LN
L1
mm
L3
mm
L4
mm
ØD
mm
C
mm
E
mm
m
kg
600 600 595 622 78 40 150 3,9
750 750 745 772 78 40 150 4,8
900 900 895 922 78 40 150 5,6
1050 1050 1045 1072 78 40 150 6,5
1200 1200 1195 1222 78 40 150 7,4


Nennlänge
mm
LN
L1
mm
L3
mm
L4
mm
T3
mm
ØD
mm
C
mm
E
mm
m
kg
600 600 595 622 270 78 40 464 4,9
750 750 745 772 270 78 40 464 5,8
900 900 895 922 290 78 40 664 7,2
1050 1050 1045 1072 290 78 40 664 8,1
1200 1200 1195 1222 290 78 40 664 8,9


VSD35-3-AZ 00155766_0


VSD35-3-AZ

Profile

Aeff: Einseitig schräg ausströmend (Zuluft)

Nennlänge
mm
LN
Aeff

600 0,0039
750 0,0049
900 0,0058
1050 0,0068
1200 0,0078


Einbaudetails, Inbetriebnahme, Grundlagen und Definitionen

  • Einbaudetails
  • Inbetriebnahme
  • Grundlagen und Definitionen
Einbauöffnung

Einbau und Inbetriebnahme

  • Vorzugsweise für lichte Raumhöhen bis 4,0 m
  • Einbau in Wände oder Abkofferungen
  • Luftleitungsanschluss horizontal
  • Gegebenenfalls Volumenstromabgleich am Drosselelement vornehmen


Die Darstellungen sind schematisch und dienen zum besseren Verständnis der Einbaudetails

Nennlänge
mm
LN
l
mm
h
mm
600 612 98
750 762 98
900 912 98
1050 1062 98
1200 1212 98


Volumenstromabgleich

Wenn mehrere Schlitzdurchlässe einem Volumenstromregler zugeordnet sind, ist eventuell ein Abgleich der Volumenströme erforderlich.

  • Schlitzdurchlässe mit Anschlusskasten und Drosselelement (Variante -M): Die Drosselklappe lässt sich auch bei montiertem Frontdurchlass betätigen

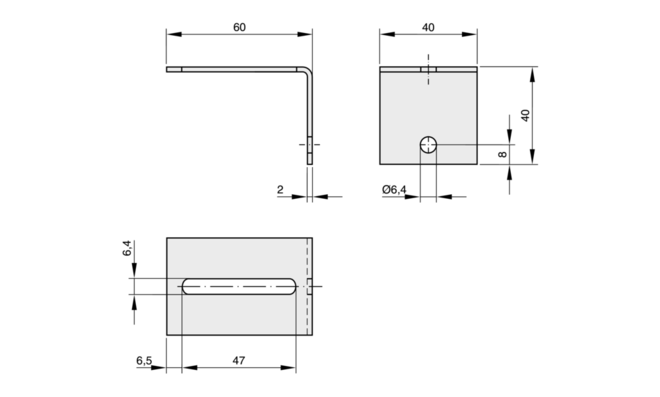
Hauptabmessungen

ØD [mm]

Außendurchmesser des Anschlussstutzens

L₁ [mm]

Länge eines Frontdurchlasses ohne Endabschlüsse

L₃ [mm]

Länge eines Anschlusskastens

P [mm]

Breite eines Frontdurchlasses – gegebenenfalls einschließlich der Randverbreiterung

B₃ [mm]

Breite eines Anschlusskastens

H₃ [mm]

Höhe eines Schlitzdurchlasses mit Anschlusskasten von der Unterkante der abgehängten Decke bis zur Oberkante des Anschlusskastens

Y [mm]

Halsverlängerung – Die Halslänge resultiert aus einem festen Maß plus der Halsverlängerung

A [mm]

Lage des Anschlussstutzens, definiert durch den Abstand der Mittellinie zur Unterkante der abgehängten Decke

C [mm]

Länge des Anschlussstutzens

m [kg]

Gerätegewicht (Masse)

Definitionen

fm [Hz]

Mittenfrequenz des Oktavbandes

LWA [dB(A)]

Schallleistungspegel des Strömungsgeräusches

V [m³/h] und [l/s]

Volumenstrom

Δpt [Pa]

Gesamtdruckdifferenz


Alle Schallleistungspegel basieren auf 1 pW.

Downloads

Produktinfos

production {"x-frame-options"=>"SAMEORIGIN", "x-xss-protection"=>"0", "x-content-type-options"=>"nosniff", "x-permitted-cross-domain-policies"=>"none", "referrer-policy"=>"strict-origin-when-cross-origin", "strict-transport-security"=>"max-age=31536000; includeSubDomains", "content-type"=>"text/html; charset=utf-8", "link"=>"</assets/application-efbc495b06ca980ef13dc743756002fce2f413f798fecb64c7f0c81954c16402.css>; rel=preload; as=style; nopush,</assets/print-fec2e47d6d8dcc5d4c101139f17046ba981ca1c12f71e7e403fba50cc7584175.css>; rel=preload; as=style; nopush,</assets/other_js/modernizr.custom.93544-c26374a79d804901074bb4aa6fd3fa44ea22e840389915d2adce16b024021ef3.js>; rel=preload; as=script; nopush,</assets/other_js/js.cookie.min-de103d86d1919b40950f791699b4ce768137fde41af09b35ff92bde369732183.js>; rel=preload; as=script; nopush,</assets/other_js/jquery-3.5.1-2c4ce18a1a3f144c333912efc24a76c9a165a0dba9f88a499985df1af0a196a2.js>; rel=preload; as=script; nopush"}

Seite teilen

Diese Seite weiterempfehlen

Hier haben Sie die Möglichkeit diese Seite als Link weiter zu empfehlen.

Mit Stern (*) markierte Felder sind Pflichtfelder.

Kontakt

Vielen dank für Ihre Nachricht!

Ihre Empfehlung wurde verschickt und sollte jeden Moment beim Empfänger eingehen.

Kontakt

Wir sind für Sie da

Bitte spezifizieren Sie das Thema Ihrer Anfrage und Ihre Kontaktdaten.
Tel.: +49 (0)2845 / 202-0 | Fax: +49 (0)2845/202-265

Anhang (max. 10MB)

Mit Stern (*) markierte Felder sind Pflichtfelder.

Kontakt

Vielen Dank für Ihre Nachricht!

Ihre Nachricht in ist unserem Service Center eingegangen und wird bearbeitet.
Unsere Abteilung für Service-Anfragen wird sich in Kürze mit Ihnen in Verbindung setzten.
Für allgemeine Fragen zu Produkten und Services erreichen Sie uns auch unter:
Tel.: +49 (0)2845 / 202-0 | Fax: +49 (0)2845/202-265

Kontakt

Wir sind für Sie da

Bitte spezifizieren Sie das Thema Ihrer Anfrage und Ihre Kontaktdaten.
Tel.: +49 (0)2845 / 202-0 | Fax: +49 (0)2845/202-265

Anhang (max. 10MB)

Mit Stern (*) markierte Felder sind Pflichtfelder.

Kontakt

Vielen Dank für Ihre Nachricht!

Ihre Nachricht in ist unserem Service Center eingegangen und wird bearbeitet.
Unsere Abteilung für Service-Anfragen wird sich in Kürze mit Ihnen in Verbindung setzten.
Für allgemeine Fragen zu Produkten und Services erreichen Sie uns auch unter:
Tel.: +49 (0)2845 / 202-0 | Fax: +49 (0)2845/202-265